摘要:
隨著“雙碳”目標的推進,分布式光伏發電作為新能源的重要組成部分,得到了廣泛應用。國家能源局發布的《關于做好新能源消納工作保障新能源高質量發展的通知》,大力提倡分布式光伏就地消納,并要求對新上項目設置防逆流管理。
本文圍繞分布式光伏防逆流管理展開,介紹了相關政策背景,分析了防逆流監視位置選擇的原理,詳細闡述了安科瑞系列防逆流保護裝置及監控系統的應用,為分布式光伏防逆流管理提供全面的技術參考與實踐指導。
關鍵詞 :分布式光伏;防逆流管理;新能源消納;光伏并網點
一、引言
1.1 研究背景與意義 在全球應對氣候變化的大背景下,我國積極推進能源轉型,“雙碳”目標成為能源發展的重要戰略方向。分布式光伏發電憑借其清潔、靈活、可就地消納等優勢,在我國能源結構中占據著愈發重要的地位。國家能源局發布的《關于做好新能源消納工作保障新能源高質量發展的通知》,旨在推動新能源高質量發展,構建新型能源體系 。該通知強調分布式光伏就地消納,減少對并網的依賴,這一舉措對于優化能源資源配置、提升電力系統穩定性具有重要意義。 然而,隨著分布式光伏裝機量的快速增長,電網逆流問題日益凸顯。當光伏發電功率大于本地負荷功率時,多余的電力會流入電網,形成逆流。這不僅會導致電網系統電壓升高,影響供電質量,還可能損壞用戶側和光伏發電側設備,威脅電網系統的安全穩定運行。因此,做好分布式光伏防逆流管理,對保障分布式光伏的健康發展,推動能源轉型具有深遠的現實意義。

1.2 國內外研究現狀 國外在分布式光伏防逆流管理方面起步較早,積累了豐富的經驗。部分發達國家通過制定嚴格的技術標準和規范,引導分布式光伏系統的設計與建設,有效降低了逆流問題的發生。同時,積極研發先進的監測與控制技術,如智能電表、分布式能源管理系統等,實現對分布式光伏系統的實時監控與精準調控。 國內對于分布式光伏防逆流管理的研究也在不斷深入。
近年來,隨著分布式光伏的大規模推廣,學者和企業圍繞防逆流技術展開了廣泛研究,取得了一系列成果。從防逆流裝置的研發到監控系統的構建,從政策標準的制定到應用案例的實踐,均取得了顯著進展。但由于我國分布式光伏發展迅速,應用場景復雜多樣,在防逆流管理方面仍面臨諸多挑戰,如并網點與逆流檢測點距離較遠時的監測與控制問題、多路市電進線情況下的防逆流策略優化等,有待進一步研究解決。
1.3 研究內容與方法 本文以分布式光伏防逆流管理為研究對象,主要內容包括:分析國家能源局相關政策對分布式光伏發展的影響,明確防逆流管理的重要性;探討分布式光伏并網點的概念及分類,確定防逆流監視的位置;介紹安科瑞分布式光伏監控系統及防逆流保護裝置的功能與應用,分析不同應用場景下的選型策略;通過實際案例分析,驗證防逆流管理方案的有效性。 在研究方法上,采用文獻研究法,收集國內外關于分布式光伏防逆流管理的政策文件、學術論文和技術報告,了解研究現狀與發展趨勢;運用案例分析法,結合實際項目案例,對防逆流管理方案的實施效果進行評估;通過理論分析與實踐相結合,為分布式光伏防逆流管理提供科學的理論依據和可行的實踐方案。
二、分布式光伏政策背景與防逆流管理要求
2.1 國家能源局新能源消納政策解讀 國家能源局發布的《關于做好新能源消納工作保障新能源高質量發展的通知》,從多個方面對新能源消納工作提出了具體要求。在網源協調發展方面,要求加快推進新能源配套電網項目建設,優化接網流程,提升新能源并網性能;在調節能力提升方面,加強系統調節能力建設,開展調節資源效果評估認定;在電網資源配置方面,充分發揮電網資源配置平臺作用,提升跨省跨區輸電通道輸送新能源比例;在新能源利用率目標優化方面,科學確定各地新能源利用率目標,強化目標執行 。 這些政策的出臺,為分布式光伏的發展指明了方向。提倡就地消納的政策導向,旨在減少分布式光伏對電網的沖擊,提高能源利用效率。同時,對新上分布式光伏項目設置防逆流管理要求,是保障電網安全穩定運行的重要舉措,體現了國家在推動新能源發展過程中,注重能源安全與可持續發展的戰略考量。
2.2 分布式光伏就地消納與防逆流管理的關系 就地消納是分布式光伏的核心優勢之一,能夠有效減少電力傳輸損耗,降低對大電網的依賴。然而,當分布式光伏發電量超過本地負荷需求時,就會出現逆流現象,影響電網的正常運行。因此,防逆流管理是實現分布式光伏就地消納的關鍵保障措施。 通過合理設置防逆流管理系統,實時監測分布式光伏系統的發電功率、負荷功率以及電網的運行狀態,能夠及時發現并解決逆流問題。當檢測到逆流時,采取相應的控制策略,如降低光伏發電功率、調整負荷分配等,確保光伏發電能夠最大限度地在本地消納,從而實現分布式光伏就地消納與電網安全穩定運行的有機統一。
2.3 防逆流管理對保障電網安全穩定運行的重要性 電網逆流會給電網系統帶來諸多危害。一方面,逆流導致電網系統電壓升高,長時間的過壓運行會損壞用戶側和光伏發電側的設備,縮短設備使用壽命,增加設備維護成本。另一方面,隨著光伏系統并網規模的不斷擴大,逆流可能會影響整個電網系統的安全穩定運行,引發繼電保護誤動作、電網振蕩等問題,甚至導致大面積停電事故。 防逆流管理通過對分布式光伏系統的實時監測與控制,能夠有效避免逆流現象的發生,維持電網系統的電壓穩定,降低設備損壞風險,提高電網的可靠性和穩定性。同時,合理的防逆流管理策略還能夠優化電力資源配置,提高能源利用效率,促進分布式光伏與電網的協調發展。
三、分布式光伏并網點與防逆流監視位置
3.1 分布式光伏并網點的定義與分類 分布式光伏發電系統的并網點,是指分布式光伏發電系統與電網的連接點。根據連接電網的類型,可分為與公共電網相連的并網點和與用戶電網相連的并網點。對于有升壓站的分布式電源,并網點為分布式電源升壓站高壓側母線或節點;對于無升壓站的分布式電源,并網點為分布式電源的輸出匯總點 。 在實際應用中,常見的并網點形式包括:分布式光伏發電系統直接與公共電網相連的連接點;分布式光伏發電系統通過用戶電網間接與公共電網相連時,與用戶電網的連接點。準確理解并網點的定義與分類,對于確定防逆流監視位置至關重要。

3.2 防逆流監視位置的確定原理 分布式光伏的防逆流應當監視公共連接點處的上網功率。公共連接點是用戶電網與公共電網的連接點,通過監測公共連接點處的上網功率,能夠準確判斷是否存在逆流現象。當上網功率為正時,說明光伏發電在本地消納后有剩余,并向公共電網輸送;當上網功率為負時,即出現了逆流,表明光伏發電量超過了本地負荷需求,多余的電力流入了公共電網。 基于這一原理,在分布式光伏系統中,應在公共連接點處設置監測設備,實時采集上網功率數據,為防逆流控制提供準確依據。同時,結合分布式光伏系統的拓撲結構和運行特點,合理選擇監測設備的類型和安裝位置,確保監測數據的準確性和可靠性。
3.3 結合案例分析防逆流監視位置的選擇 以某工業園區的分布式光伏項目為例,該園區內多個企業安裝了分布式光伏發電系統,部分系統通過企業內部電網與公共電網相連,部分系統直接與公共電網相連。在該項目中,對于通過企業內部電網與公共電網相連的分布式光伏系統,將公共連接點(企業內部電網與公共電網的連接點)作為防逆流監視位置,安裝功率監測設備,實時監測上網功率。對于直接與公共電網相連的分布式光伏系統,將并網點(即與公共電網的連接點)作為防逆流監視位置。 通過在公共連接點和并網點設置防逆流監視設備,實現了對整個園區分布式光伏系統的有效監測。在實際運行中,當某企業分布式光伏發電量超過自身負荷需求時,監測設備及時檢測到逆流現象,并觸發防逆流控制策略,有效避免了逆流對公共電網的影響。
四、安科瑞分布式光伏防逆流解決方案
4.1 安科瑞分布式光伏監控系統Acrel-1000DP
4.1.1 系統架構與功能特點 安科瑞分布式光伏監控系統Acrel-1000DP采用分層分布式結構,由站控層、通信層和設備層組成。站控層主要包括監控主機、顯示器等設備,負責實現對整個系統的集中監控和管理;通信層采用多種通信方式,如RS485、Modbus TCP等,實現數據的傳輸與交互;設備層包括各類傳感器、智能電表、防逆流保護裝置等,負責采集現場數據并執行控制命令。 該系統具有實時監測、數據分析、防逆流控制等功能特點。可實時監測市電下網電量、光伏發電功率、負荷功率等參數,通過對這些數據的分析,實現對分布式光伏系統運行狀態的全面評估。在防逆流控制方面,軟件內設置了靈活的防逆流控制策略,能夠根據監測數據自動調整光伏發電功率,滿足站點防逆流并網要求。

4.1.2 與防逆流保護裝置的協同工作機制 安科瑞分布式光伏監控系統Acrel-1000DP與防逆流保護裝置AM5SE-IS緊密配合,實現了雙重保障的防逆流管理。監控系統實時采集現場數據,并將數據傳輸給防逆流保護裝置。當防逆流保護裝置檢測到逆功率時,立即觸發保護動作,跳開光伏并網開關,防止逆流發生。同時,監控系統根據預設的防逆流控制策略,對光伏發電系統進行調控,降低發電功率,避免逆流再次出現。 這種協同工作機制,充分發揮了監控系統和防逆流保護裝置的優勢,提高了防逆流管理的效率和可靠性。通過實時監測與快速響應,有效保障了分布式光伏系統的安全穩定運行。

4.2 防逆流保護裝置的類型與應用場景
4.2.1 AM5SE-IS防逆流保護裝置 當并網點與逆流檢測點距離較近時,可選擇AM5SE-IS防逆流保護裝置。該裝置具有逆功率跳閘、逆功率恢復合閘、低功率跳閘、低功率恢復合閘等功能。在小型分布式光伏項目中,如戶用屋頂光伏、小型工商業光伏項目,AM5SE-IS防逆流保護裝置能夠快速響應,有效防止逆流現象的發生。 以某戶用屋頂光伏項目為例,該項目的并網點與逆流檢測點距離較近,安裝AM5SE-IS防逆流保護裝置后,當檢測到逆功率時,裝置在短時間內觸發跳閘動作,切斷光伏并網開關,避免了逆流對電網的影響。當逆功率消失后,裝置自動恢復合閘,確保光伏發電系統的正常運行。
防逆流保護裝置AM5SE-IS
4.2.2 AM5SE-PV系列主從機防逆流保護裝置 當并網點與逆流檢測點距離較遠(200m以上時),應選擇AM5SE-PV系列主從機防逆流保護裝置。該裝置采用主從機方案,具有四段低功率/低功率恢復合閘、主從機方案逆功率/逆功率恢復合閘、主機防孤島保護、從機防孤島保護等功能。 在中大型工商業光伏項目中,多個低壓并網點可能分布在較大范圍內,此時AM5SE-PV系列主從機防逆流保護裝置能夠實現多機協同控制。通過主機與從機之間的通信,按序選擇性切斷指定光伏并網柜,避免全系統斷電。例如,某大型工業園區的分布式光伏項目,多個并網點與逆流檢測點距離較遠,采用AM5SE-PV系列主從機防逆流保護裝置后,實現了對分布式光伏系統的有效控制,保障了系統的穩定運行。

4.3 不同市電進線情況下的防逆流保護裝置選型
4.3.1 一路市電進線下的選型策略 若一路市電進線下帶多個并網點,主機選用AM5SE-PVM、從機選用AM5SE-PVS,最多支持1主5從。這種選型策略能夠滿足多個并網點的防逆流控制需求,通過主機與從機的協同工作,實現對分布式光伏系統的集中管理與控制。 以某商業綜合體的分布式光伏項目為例,該項目一路市電進線下帶多個并網點,采用AM5SE-PVM為主機、AM5SE-PVS為從機的配置方案,實現了對各個并網點的實時監測與控制。在實際運行中,當某個并網點出現逆流現象時,主機能夠迅速獲取信息,并通過從機對相應的光伏并網柜進行控制,有效防止了逆流的擴散。

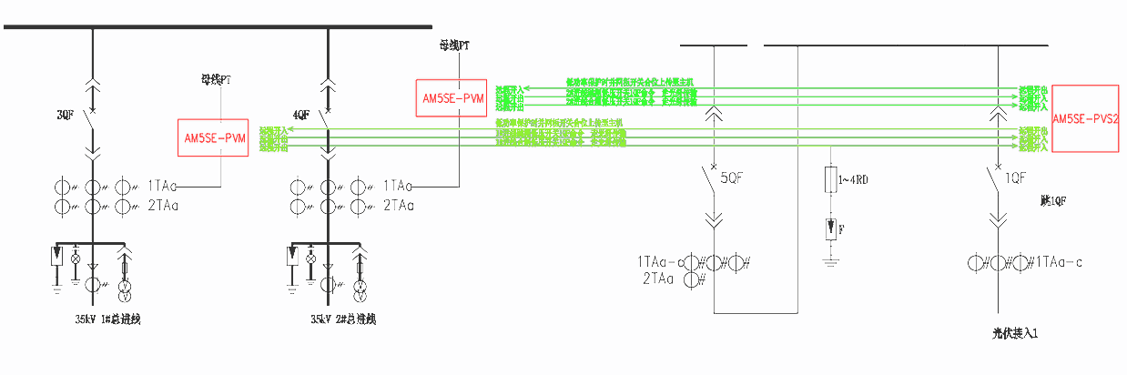
4.3.2 多路市電進線下的選型策略 當市電進線為多路電源進線帶1或多個并網點時,主機選用AM5SE-PVM、從機選用AM5SE-PVS2,1個主機最多支持5個從機、1個從機最多接受4個主機。這種配置方案適用于復雜的分布式光伏系統,能夠滿足多路市電進線情況下的防逆流管理需求。 以某大型工業廠區的分布式光伏項目為例,該廠區有多路市電進線,且分布著多個并網點。采用AM5SE-PVM為主機、AM5SE-PVS2為從機的配置方案后,實現了對整個廠區分布式光伏系統的全面監控與精準控制。通過多主機、多從機之間的協同工作,有效應對了多路市電進線帶來的復雜情況,保障了分布式光伏系統的安全穩定運行。

五、分布式光伏防逆流管理的實踐案例分析
5.1 案例一:某小型工商業分布式光伏項目
5.1.1 項目概況 某小型工商業企業安裝了分布式光伏發電系統,裝機容量為50kW,采用自發自用、余電上網的模式。該項目的并網點與逆流檢測點距離較近,為了實現防逆流管理,安裝了安科瑞分布式光伏監控系統Acrel-1000DP和AM5SE-IS防逆流保護裝置。
5.1.2 防逆流管理方案實施過程 在項目實施過程中,首先在公共連接點處安裝了功率監測設備,實現對上網功率的實時監測。將AM5SE-IS防逆流保護裝置接入光伏發電系統,并與監控系統進行通信。通過監控系統設置防逆流控制策略,當檢測到逆功率時,AM5SE-IS防逆流保護裝置立即觸發跳閘動作,同時監控系統調整光伏發電功率,降低發電輸出。
5.1.3 實施效果評估 經過一段時間的運行,該項目的防逆流管理方案取得了良好的效果。有效避免了逆流現象的發生,保障了電網的安全穩定運行。同時,通過合理調整光伏發電功率,提高了光伏發電的就地消納率,降低了企業的用電成本,實現了經濟效益與社會效益的雙贏。
5.2 案例二:某大型工業園區分布式光伏項目
5.2.1 項目概況 某大型工業園區建設了大規模的分布式光伏發電系統,裝機容量達到1MW,園區內有多路市電進線,多個并網點分布在不同區域,部分并網點與逆流檢測點距離較遠。為了實現有效的防逆流管理,采用了安科瑞分布式光伏監控系統Acrel-1000DP和AM5SE-PV系列主從機防逆流保護裝置。
5.2.2 防逆流管理方案實施過程 根據園區的實際情況,在公共連接點和各個并網點處安裝了監測設備,實時采集上網功率、光伏發電功率等數據。配置AM5SE-PVM為主機、AM5SE-PVS2為從機,建立主從機通信網絡。通過監控系統對整個園區的分布式光伏系統進行集中管理,設置靈活的防逆流控制策略。當某個并網點出現逆流時,主機根據監測數據,通過從機對相應的光伏并網柜進行控制,按序分斷或調整發電功率。
5.2.3 實施效果評估 經過實際運行驗證,該項目的防逆流管理方案能夠有效應對多路市電進線、多個并網點以及并網點與逆流檢測點距離較遠等復雜情況。實現了對分布式光伏系統的全面監控與精準控制,大大降低了逆流現象的發生頻率,保障了園區電網的安全穩定運行。同時,通過優化防逆流控制策略,提高了光伏發電的利用率,為園區的節能減排做出了積極貢獻。
六、結論與展望
6.1 研究成果總結 本文圍繞分布式光伏防逆流管理展開研究,通過對國家能源局相關政策的解讀,明確了防逆流管理的重要性。分析了分布式光伏并網點的定義與分類,確定了防逆流監視位置的選擇原理。詳細介紹了安科瑞分布式光伏監控系統及防逆流保護裝置的功能與應用,提出了不同應用場景下的選型策略。通過實際案例分析,驗證了防逆流管理方案的有效性。研究成果為分布式光伏防逆流管理提供了系統的技術參考和實踐指導,有助于推動分布式光伏的健康發展,保障電網的安全穩定運行。
6.2 未來發展趨勢與研究方向展望 隨著分布式光伏技術的不斷發展和應用規模的持續擴大,防逆流管理將面臨新的挑戰與機遇。未來,分布式光伏防逆流管理將朝著智能化、精細化方向發展。一方面,人工智能、大數據等新技術將在防逆流管理中得到更廣泛的應用,通過對大量運行數據的分析和挖掘,實現對分布式光伏系統的智能預測與精準控制,進一步提高防逆流管理的效率和可靠性。另一方面,隨著微電網、虛擬電廠等新型能源系統的發展,分布式光伏將與其他能源形式深度融合,防逆流管理需要適應更加復雜的能源網絡結構,實現多能源協同優化運行。
相關產品
免責聲明
客服熱線: 15024464426(同微信)
加盟熱線: 15024464426(同微信)
媒體合作: 0571-87759945
投訴熱線: 0571-87759942

下載儀表站APP

Ybzhan手機版

Ybzhan公眾號

Ybzhan小程序