配伍性試驗塊 操作簡單配伍性試驗塊 操作簡單
執行標準:
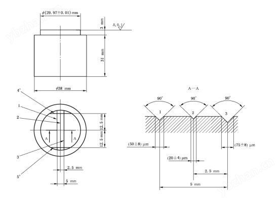
YY/T 0493-2022--圖 A.12 細節再現和與石膏的配伍性試驗塊--配伍性試驗塊
模具用途;
驗證印模材料在接觸石膏時是否會發生不良反應或表面缺陷,從而影響模型精度。
技術參數:
材質:不銹鋼
計時器:0-999/s(自行設置)精度±1/s
選配:超聲清洗,機恒溫水浴,烘箱,顯微鏡
配置清單
模具一套,
合格證一份,
銘牌一份。
執行標準:
YY/T 0493-2022--圖 A.12 細節再現和與石膏的配伍性試驗塊--配伍性試驗塊
模具用途;
驗證印模材料在接觸石膏時是否會發生不良反應或表面缺陷,從而影響模型精度。
技術參數:
材質:不銹鋼
計時器:0-999/s(自行設置)精度±1/s
選配:超聲清洗,機恒溫水浴,烘箱,顯微鏡
配置清單
模具一套,
合格證一份,
銘牌一份。
執行標準:
YY/T 0493-2022--圖 A.12 細節再現和與石膏的配伍性試驗塊--配伍性試驗塊
模具用途;
驗證印模材料在接觸石膏時是否會發生不良反應或表面缺陷,從而影響模型精度。
技術參數:
材質:不銹鋼
計時器:0-999/s(自行設置)精度±1/s
選配:超聲清洗,機恒溫水浴,烘箱,顯微鏡
配置清單
模具一套,
合格證一份,
銘牌一份。








































