產品概述
我司設計的防爆二氧化碳變送器,用于空氣中二氧化碳氣體濃度的檢測,當濃度超過預置報警值時會發出聲光報警信號,以提醒用戶及時采取安全措施,防止爆炸及中毒事故發生,從而保障生命、財產安全。
該變送器采用NDIR原理檢測,進口一線傳感器,具有反應迅速靈敏、抗干擾能力強、長壽命、高重復性和高穩定性的特點。帶有大屏液晶顯示,防護等級 IP66,防爆標志:Ex db IIC T6 Gb;Ex tb IIIC T80℃ Db,可應用于戶外惡劣的現場環境。
設備采用寬壓10-30V直流供電,485信號輸出,標準ModBus-RTU通信協議、ModBus地址可設置,波特率可更改,通信距離最遠2000米。
功能特點
量程0-5000ppm;
采用遠程紅外遙控技術,無需拆卸即可修改參數;
采用NDIR原理檢測,使用進口一線傳感器;
可選配高品質液晶顯示屏,現場可直接查看數值,夜晚亦可清晰顯示;
現場供電采用10~30V直流寬壓供電,可適應現場多種直流電源;
產品采用壁掛式防水殼,安裝方便,防護等級IP65可應用于戶外惡劣的現場環境。
主要技術參數
| 供電電源 | 10~30V DC(0~10V輸出時采用24V供電) |
| 平均功耗 | 1.2W |
| 輸出信號 | 4~20mA、0~5V、0~10V、485輸出(標準ModBus協議) |
| 重復性 | ≤3% |
| 穩定性 | ≤2%信號值/月 |
| 允許誤差 | ±(50ppm+ 3%F·S) @(25℃、400~5000ppm) |
| 分辨率 | 1ppm |
| 測量范圍 | 0~5000ppm |
| 工作溫度 | -10~50℃ |
| 工作濕度 | 0~80%RH 無冷凝 |
| 工作壓力 | 90~110kPa |
| 響應時間 | ≤90s |
| 預熱時間 | 2min(可用)、10min(精度) |
| 安裝方式 | 壁掛式 |
| 防爆標志 | Ex db IIC T6 Gb;Ex tb IIIC T80℃ Db |
| 繼電器帶負載能力 | 250VAC 1A/30VDC 1A |
產品選型
| RS- | 公司代號 | |||||
| FPC- | 帶顯示防爆殼體 | |||||
| FPC-N- | 不帶顯示防爆殼體 | |||||
| CO2- | 5000p- | CO2變送器5000ppm量程 | ||||
| N01- | RS485(ModBus協議) | |||||
| I20- | 4~20mA電流輸出 | |||||
| V05- | 0~5V電壓輸出 | |||||
| V10- | 0~10V電壓輸出 | |||||
| 空 | 無聲光報警器 | |||||
| A | 加聲光報警器 | |||||
| R01 | 無源繼電器輸出 | |||||
系統框架圖
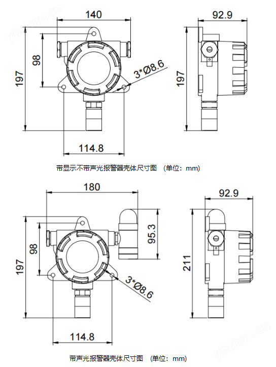
尺寸說明


安裝說明

膨脹螺絲安裝時,先在墻體或其它固定平面打孔,將膨脹塞放入孔內,擰入螺絲帽使膨脹塞膨脹,然后卸下螺絲帽安裝設備,最后擰入螺絲帽將設備固定。

接口說明
寬電壓電源輸入10~30V均可。485信號線接線時注意A/B兩條線不能接反,總線上多臺設備間地址不能沖突。
線色 | 說明 | |
電源(設備左側出線) | 棕色 | 電源正(10~30V DC) |
黑色 | 電源負 | |
通信(設備左側出線) | 黃色 | 485-A |
藍色 | 485-B | |
無源繼電器類型 (設備右側出線) | 黃線 | 繼電器常開觸點 (黃色、藍色) |
藍線 |
































